Industry application
Electric motors
Application Overview
Electric motors Application Overview

Electric motors are used extensively in many industrial situations to perform a variety of tasks and functions, such as axis of rotation, driving pumps, fans, and power tools. Converter are used to control the speed and torque of electric motors, typically three-phase AC induction or three-phase brushless DC motors that use specially developed control methods such as variable frequency drives (VFD) or magnetic field orientation control (FOC). Servo motors are used when maximum precision is required for motion acceleration, speed and position - for example in industrial automation, robotics, numerical control machinery, which can achieve maximum energy efficiency and reliable performance.

 

Marching power can provide IGBT discrete, IGBT modules and PIM module series products to help achieve different converter driving function.


Electric motors
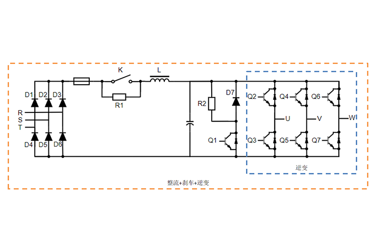
Application System Diagram
Electric motors Application System Diagram
Electric motors
Application Topology Diagram
Electric motors Application Topology Diagram
Electric motors
Recommended Products

IGBT Discretes Product List

Part Number VCE(V) Ic(A)@100℃ Vcesat(V) @25℃
typ
Eon(mJ) Eoff(mJ) Package Datasheet
MPBQ75N120BF 1200 75 1.9 4.6 4.4 TO-247 plus Download
MPBL75N120BF 1200 75 1.9 5.4 4.1 TO-264 Download
MPBW40N120ES 1200 40 1.55 2.2 2.84 TO-247 Download
MPBW25N120BF 1200 25 1.9 1.6 1.9 TO-247 Download
MPBQ120N65GSF 650 120 1.3 5.32 6.88 TO-247 plus Download

IGBT Modules Product List

Part Number VCE(V) Ic(A)@100℃ Vcesat(V) @25℃
typ
Eon(mJ) Eoff(mJ) Package Datasheet
MPFF450R17MBF 1700 450 2.29 153.1 131.5 EconoDUAL 3 Download
MPFF300R17KBF 1700 300 1.95 70.5 62.4 62mm module Download
MPFF600R12MBF M5 1200 600 1.65 118.4 79.2 EconoDUAL 3 Download
MPFF600R12MBF M3 1200 600 2.2 151.3 88.6 EconoDUAL 3 Download
MPFF450R12KBF 1200 450 2.04 88.4 43.7 62mm module Download
MPFF400R12KBF 1200 400 1.9 27.8 38.9 62mm module Download
MPFF200R12KBF 1200 200 2 8.8 13.6 62mm module Download
MPFF150R12KB 1200 150 1.81 9.4 7.39 62mm module Download

PIM Product List

Part Number VCE(V) Ic(A)@100℃ Vcesat(V) @25℃
typ
Eon(mJ) Eoff(mJ) Package Datasheet
MPFS150R12DBF 1200 150 1.92 12.4 9.3 EconoPack 3 Download
MPFP150R12DBF 1200 150 1.9 21.24 11 EconoPIM 3 Download
MPFS100R12DBF 1200 100 1.81 7.23 6.6 EconoPack 3 Download
MPFP100R12DBF 1200 100 1.93 26.2 8.1 EconoPIM 3 Download
MPFP75R12DBF 1200 75 1.98 8.2 4.9 EconoPIM 3 Download
MPFP50R12TBF 1200 50 1.94 24.4 4.93 EconoPIM 3 Download
MPFP50R12DBF 1200 50 1.88 12.78 3.71 EconoPIM 3 Download
MPFP50R12FBF 1200 50 2.25 15.8 3.49 EconoPIM 2 Download
MPFP40R12FBF 1200 40 2.23 10.1 2.3 EconoPIM 2 Download
MPFP40R12EBF 1200 40 1.94 4.61 2.19 EasyPIM 2B Download
MPFP40R12CMF 1200 40 1.78 5.21 1.32 EconoPIM 2 Download
MPFP25R12FBF 1200 25 1.99 4.9 1.7 EconoPIM 2 Download
MPFP25R12EBF 1200 25 2.04 3.21 1.32 EasyPIM 2B Download
MPFP25R12CBF 1200 25 1.98 4.25 1.64 EconoPIM 2 Download
MPFP15R12WBF 1200 15 2 1.74 0.86 EasyPIM 1B Download